tyc86Ì«Ñô¼¯ÍÅ

ÁªÏµtyc86Ì«Ñô¼¯ÍÅ| ÉèΪÊ×Ò³| ¼ÓÈëÊÕ²Ø
°ì¹«OA ΢ÐÅ
Äúµ±Ç°µÄλÖÃÊÇÔÚ£ºÊ×Ò³ > ÐÂÎÅÖÐÐÄ > ¹«¸æ¹«Ê¾
tyc86Ì«Ñô¼¯ÍÅ1#¸ÚͤÄཬ³ØÖÕ¶ËÖÐת³¡É豸½¨É蹤³ÌÕб깫¸æ
·¢±íʱ¼ä£º2020-06-15 16:00:06    ä¯ÀÀÁ¿£º1764´Î    ×÷Õߣº    À´Ô´£º

1.ÕбêÌõ¼þ

tyc86Ì«Ñô¼¯ÍÅ1#¸ÚͤÄཬ³ØÖÕ¶ËÖÐת³¡½¨É蹤³Ì£¬£¬£¬£¬£¬£¬£¬ÕбêÈËΪÎÂÖÝÊÐtyc86Ì«Ñô¼¯ÍÅɰʯÁÏÓÐÏÞ¹«Ë¾£¬£¬£¬£¬£¬£¬£¬½¨Éè×ʽðÀ´×Ô×Գ£¬£¬£¬£¬£¬£¬ÏîÄ¿³ö×ʱÈÀýΪ100%¡£¡£¡£¡£¡£ÏîÄ¿ÒѾ߱¸ÕбêÌõ¼þ£¬£¬£¬£¬£¬£¬£¬ÏÖ¶Ô¸ÃÏîÄ¿µÄÊ©¹¤½øÐй«¿ªÕбꡣ¡£¡£¡£¡£

2.¹¤³Ì¸Å¿öÓëÕб귶Χ

2.1½¨ÉèµØµã£ºtyc86Ì«Ñô¼¯ÍÅÆð²½Çø4#ÄÚ£»£»£»£»£»£»

2.2½¨Éè¹æÄ££º°üÀ¨Äཬ¹ÜµÀ¡¢Äཬ±Ã¡¢Äཬƽ̨µÈ½¨É裻£»£»£»£»£»

2.3Õб귶Χ£ºtyc86Ì«Ñô¼¯ÍÅ1#¸ÚͤÄཬ³µÔËÖÕ¶ËÖÐת³¡É豸½¨É裻£»£»£»£»£»

2.4¹¤³ÌͶ×Ê£º±¾´ÎÕбêµÄ×î¸ßÏÞ¼Û19.68ÍòÔª£»£»£»£»£»£»

2.5¼Æ»®¹¤ÆÚ£º30ÈÕÀúÌ죻£»£»£»£»£»

2.6ÖÊÁ¿ÒªÇ󣺺ϸñ¡£¡£¡£¡£¡£

3.Ͷ±êÈË×ʸñÒªÇó

3.1±¾´ÎÕбêÒªÇóͶ±êÈËÐë¾ß±¸£º·¿Îݽ¨Öþ¹¤³ÌÊ©¹¤×ܳаüÈý¼¶¼°ÒÔÉÏ×ÊÖÊ£¬£¬£¬£¬£¬£¬£¬²¢ÔÚÈËÔ±¡¢É豸¡¢×ʽðµÈ·½Ãæ¾ßÓÐÏàÓ¦µÄÊ©¹¤ÄÜÁ¦¡£¡£¡£¡£¡£

ÏîÄ¿¸ºÔðÈË£¨ÏîÄ¿¾­Àí£©Ðë¾ß±¸£º·¿Îݽ¨Öþ¹¤³Ìרҵ¶þ¼¶¼°ÒÔÉÏ×¢²á½¨Ôìʦִҵ×ʸñ¡£¡£¡£¡£¡£

3.2±¾´ÎÕб겻½ÓÊÜÁªºÏÌåͶ±ê¡£¡£¡£¡£¡£

4.ÕбêÎļþµÄ»ñÈ¡

4.1·²ÓÐÒâ²Î¼ÓͶ±êÕߣ¬£¬£¬£¬£¬£¬£¬ÇëǰÍùÎÂÖÝÊÐtyc86Ì«Ñô¼¯ÍÅɰʯÁÏÓÐÏÞ¹«Ë¾209°ì¹«ÊÒ±¨Ãû¡£¡£¡£¡£¡£

4.2 ±¨Ãûʱ¼ä£º2020Äê06ÔÂ15ÈÕ¡ª2020Äê06ÔÂ18ÈÕ£¬£¬£¬£¬£¬£¬£¬ÉÏÎç09:00-11:30£¬£¬£¬£¬£¬£¬£¬ÏÂÎç14:30-16:30£¨±±¾©Ê±¼ä£¬£¬£¬£¬£¬£¬£¬ÏÂͬ£©£»£»£»£»£»£»

5.Ͷ±êÎļþµÄµÝ½»

5.1 Ͷ±êÎļþµÝ½»µÄ½ØÖ¹Ê±¼ä£¨Í¶±ê½ØÖ¹Ê±¼ä£¬£¬£¬£¬£¬£¬£¬ÏÂͬ£©£º2020Äê06ÔÂ19ÈÕ10ʱ00·ÖÖ¹£»£»£»£»£»£» 

5.2 ÓâÆÚËÍ´ïµÄ»òÕßδËÍ´ïÖ¸¶¨µØµãµÄͶ±êÎļþ£¬£¬£¬£¬£¬£¬£¬ÕбêÈ˲»ÓèÊÜÀí¡£¡£¡£¡£¡£

6.ÆäËûÓйØÄÚÈÝ

6.1ÆÀ±ê·½·¨£º×îµÍ¼ÛÖбꣻ£»£»£»£»£»

6.2Öб귽ʽ£º¾­ÒµÖ÷ÆÀ±êС×éÉóºË·ûºÏÒªÇ󣬣¬£¬£¬£¬£¬£¬Ô­ÔòÉÏÒÔ±¨¼Û×îµÍµÄµ¥Î»ÎªÖб굥룬£¬£¬£¬£¬£¬£¬±¨¼ÛÏàͬ£¬£¬£¬£¬£¬£¬£¬Ôò³éÇ©¾ö¶¨Öб굥λ£»£»£»£»£»£»

7.ÁªÏµ·½Ê½

ÕбêÈË£ºÎÂÖÝÊÐtyc86Ì«Ñô¼¯ÍÅɰʯÁÏÓÐÏÞ¹«Ë¾

µØÖ·£ºÎÂÖÝÊÐÁúÍå±õº£¿£¿£¿£¿£¿£¿£¿£¿Õ¸ÛÐÂÇø½ðº£¶þµÀtyc86Ì«Ñô¼¯Íű£ÕÏ»ùµØ

Áª ϵ ÈË£ºÇ®ÏÈÉú

µç   »°£º85851963

 

 

ÎÂÖÝÊÐtyc86Ì«Ñô¼¯ÍÅɰʯÁÏÓÐÏÞ¹«Ë¾

2020Äê06ÔÂ15ÈÕ

¸½¼þ£º1.¸½¼þ.doc

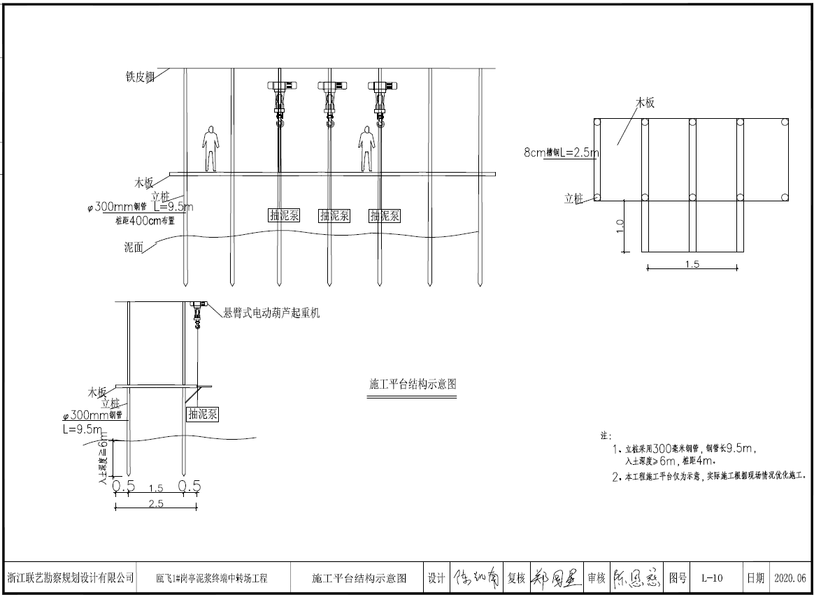
    2.½á¹¹Ê¾Òâͼ.png



 


¡¾×ÖÌå´óС£¡£¡£¡£¡£º´ó ÖРС¡¿
¡¾·µ»Ø¡¿¡¾´òÓ¡¡¿¡¾¹Ø±Õ¡¿